| 입찰법원 | 청주/본원 경매3계 | 입찰보증금 | (10%) 97,751,200 | 토지 | 7722㎡ (2335.9 평) |
| 사건번호 | 2025-2470 | 감정가 | 1,994,923,080 | 건물 | 3266.88㎡ (988.2 평) |
| 물건번호 | 최저입찰가 | (49%) 977,512,000 | 제시외 | 1078㎡ (326.1 평) | |
| 입찰일 | 2026.02.11 (수) | 청구액 | 1,055,662,554 | 물건용도 | 공장 |
| · 권리분석 , 예상 낙찰가 , 잔금대출, 명도 ,부실채권(NPL) 매입 상담 · 유치권, 법정지상권등 특수권리분석 상담 ☎ 02-453-7800 / 031-554-0114 |















| 감 정 평 가 내 역 | |
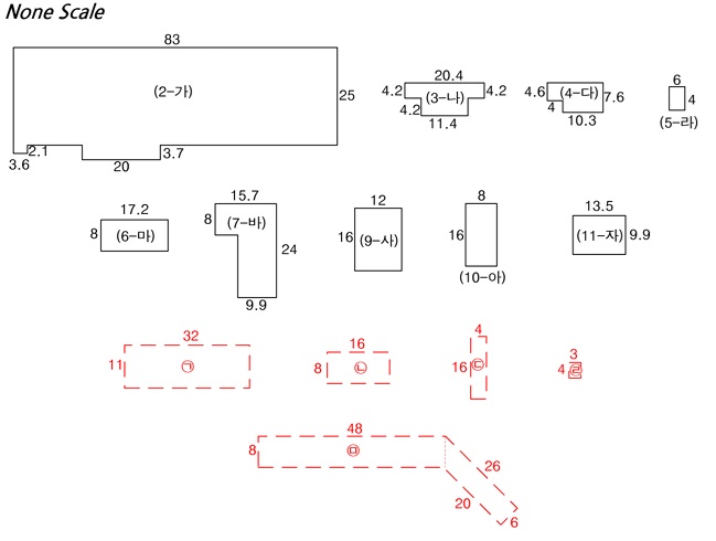
| 충북 보은군 보은읍 용암리 309 주1동 외8 | |
| -용암리마을회관남측근거리 -주위중.소규모공장및농경지등혼재 -부정형평지 *1차감정:1,981,923,080 계획관리지역 배출시설설치제한지역 성장관리계획구역(2024-06-13)(주거형) 가축사육제한구역(2024-07-05)(일부제한구역(700m)) <주1동> -일반철골구조강판및플라스틱지붕 -동측으로약3-4m도로개설되어있음 <주2동> -강파이프구조판넬위아스팔트싱글지붕 <주3동> -일반철골구조강판지붕 <주4동> -경량철골구조플라스틱지붕 <5동호> -강파이프구조강판및썬라이트지붕 -327-1번지는타인소유임(주의바람) <6동호> -강파이프구조강판및썬라이트지붕 -327-1번지는타인소유임(주의바람) <308-2 주1동> -일반철골구조판넬지붕 -동측으로왕복2차선도로개설되어있음 <308-2 주2동> -일반철골구조판넬지붕 <308-2 주3동> -일반철골구조판넬지붕(대장상:경량철골구조) |
[주1동] * 공장용지 6168㎡ (1865.82평) 표준공시(㎡) 51,100 결정가(㎡) 82,000 결정가(평) 271,076 * 건물 공장 2156.67㎡ (652.39평) * 제시외 퇴비사 352㎡ (106.48평),포함 퇴비사 128㎡ (38.72평),포함 309,327-1지상 포함 가추 522㎡ (157.9평),포함 * 기계 기계기구1식소재 제시외기계기구2식소재 [주2동] * 건물 사무실 130.56㎡ (39.49평) [주3동] 창고 80㎡ (24.2평) 대장상:96.68 [주4동] 소독실 24㎡ (7.26평) [5동호] 공장 137.6㎡ (41.62평) [6동호] 공장 284.4㎡ (86.03평) [308-2 주1동] * 공장용지 1554㎡ (470.08평) 표준공시(㎡) 51,100 결정가(㎡) 86,000 결정가(평) 284,299 * 건물 제조업소(원료보관창고) 192㎡ (58.08평) * 제시외 창고 12㎡ (3.63평),포함 [308-2 주2동] * 건물 제조업소 128㎡ (38.72평) [308-2 주3동] 제조업소 133.65㎡ (40.43평) * 제시외 창고 64㎡ (19.36평),포함 **2025.9월 기계기구2식추가되면서 감정가조정 ........... 토지감정 639,420,000 건물감정 1,033,003,080 제시외 80,400,000 기계감정 242,100,000 합계 1,994,923,080 보존등기 2010-04-19 |
| 임차내역 | 진행내역 |
| 박*엽 전입 2024.11.07 미상 |
2025.09.24(수) 변경 1,981,923,080 (100%) 2025.12.03(수) 유찰 1,994,923,080 (100%) 2026.01.07(수) 유찰 1,396,446,000 (70%) 2026.02.11(수) 진행 977,512,000 (49%) |
728x90
사업자 정보 표시
나이스옥션 | 정석근 | 서울특별시 강남구 테헤란로 151 역삼하이츠 13층 1316호 | 사업자 등록번호 : 132-18-81682 | TEL : 02-453-7800 | Mail : sukgc@naver.com | 통신판매신고번호 : 호 | 사이버몰의 이용약관 바로가기
'법원별 공장 경매 물건 > 청주지법' 카테고리의 다른 글
| 2025-51484 충북 청주시 청원구 내수읍 내수리 357-6 외 공장경매 (1) | 2026.01.30 |
|---|---|
| 2025-51174 충북 진천군 백곡면 사송리 478-10 공장경매 (0) | 2026.01.30 |
| 2025-51456 충북 청주시 흥덕구 옥산면 호죽리 630-8 ,630-9 외 공장경매 (0) | 2026.01.28 |
| 2025-51376 충북 보은군 삼승면 우진리 743 외 공장경매 (0) | 2026.01.28 |
| 2025-51192 충북 청주시 청원구 외남동 19-5 외 공장경매 (0) | 2026.01.28 |